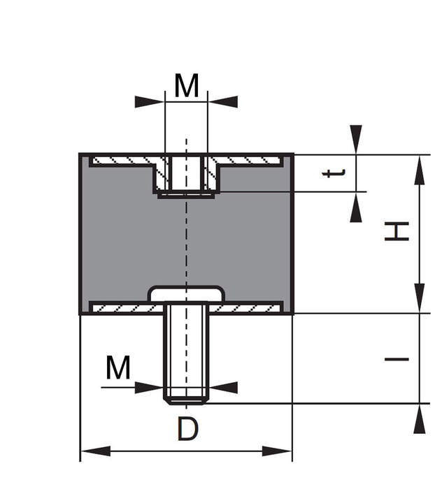
Gummipuffer / Anschlagpuffer / Schwingungsdämpfer Typ B (zylindrisch)
- Metallwerkstoff: Stahl verzinkt, Festigkeit 5.6
- Gummiwerkstoff: NR Naturkautschuk Shore A, Farbe schwarz
- auf Wunsch auch in Sonderausführungen lieferbar
- mit einem Außen- und einem Innengewinde
- Zugfestigkeit: 15-30 N/mm²
- Zugdehnung: 100 - 600%
- kostengünstige Lösung für elastische Lagerungen
- zur Schwingungsdämpfung
- Vibrationsminderung bei der Aufstellung von empfindlichen Geräten
- absorbiert Stöße und Schwingungen
- lärmdämpfend
- hervorragende Dämpfung von Vibrationen aufgrund elastischer Eigenschaften
- umfangreiche Varianten aufgrund wählbarer Größen (Durchmesser, Höhe, Gewindegröße, Gewindelänge)
- für jedes Anwendungsgebiet gibt es eine Lösung
BESTÄNDIGKEIT
- temperaturbeständig -30°C bis +80°C
- Zugfestigkeit: sehr gut
- Kerbzähigkeit: gut
- Abriebbeständigkeit: gut
- Bruchdehnung: sehr gut
- Rückprallelastizität: hoch
- Weiterreißwiderstand: gut
- Kälteflexibilität: gut
- elektrische Isolation: gut
- Gasdurchlässigkeit: gering
- Beständig gegen Oxidation: gut
- Beständig gegen Wasser: sehr gut
- Laugen (50 %ige NaOH bei 50°C): gut






